oldradio.pl katalog starej radiotechniki
 
 
Karta katalogowa nr 1125
liczba wyświetleń: 6251
Producent: Woronieżskij RZ
Model: Alpinist RP 224
Rodzaj sprzętu: Radioodbiornik
Klasyfikacja: przenośny mono
Zakresy: D,S,K,U
Kraj: Rosja
Rok produkcji: 1991
Zasilanie: bateryjne
Elementy aktywne: tranzystory + ukł. scalone
Opis:
Mały, przenośny, czterozakresowy radioodbiornik.
Posiada możliwość zasilania zasilaczem 9V, posiada gniazdo antenowe i uziemienia oraz gniazdo słuchawkowe
Inne materiały:
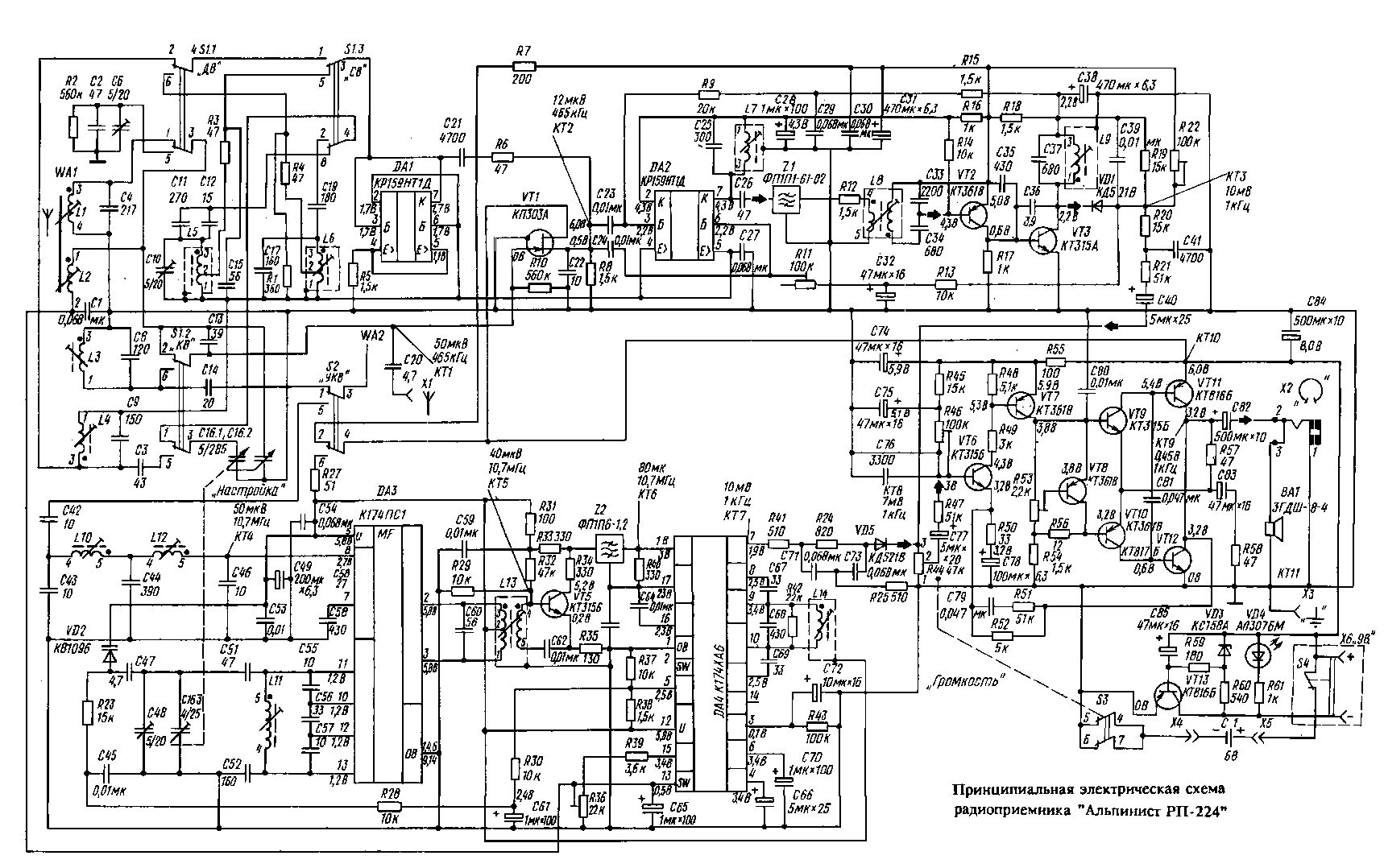
Schemat   

(1) Fiatcik, Alpinist RP 224

(2) Fiatcik, Alpinist RP 224