oldradio.pl katalog starej radiotechniki
 
 
Karta katalogowa nr 1114
liczba wyświetleń: 8108
Producent: Eltra
Model: Jowita 2
Rodzaj sprzętu: Radioodbiornik
Klasyfikacja: przenośny mono
Zakresy: D,S,K1,K2,U
Kraj: Polska
Rok produkcji: 197x
Zasilanie: sieć lub baterie
Wymiary: 320 X 190 X 85 mm
Elementy aktywne: tranzystory + ukł. scalone
Opis:

Jedna z wersji popularnego odbiornika przenośnego. Układ elektryczny podobny do Jowity, ale z wewnętrznym zasilaczem sieciowym. Obudowa z tworzyw sztucznych, z okleiną imitującą drewno na przodzie i górnym panelu. Odbiornik jest zasilany przez baterie (2x4,5V, 6xR20) lub z sieci elektrycznej. Baterie umieszczano w wyjmowanym pojemniku, ułatwiającym wymianę.
Na górnym panelu potencjometry regulacji barwy tonów niskich i wysokich, precyzer fal krótkich, przyciski długości fal.
Radio posiada wejście gramofonowe/magnetofonowe typu DIN i wyjścia na dodatkowy głośnik i słuchawki. Wejście gram./magnet. włącza się przyciskiem na górnym panelu.

Inne materiały:
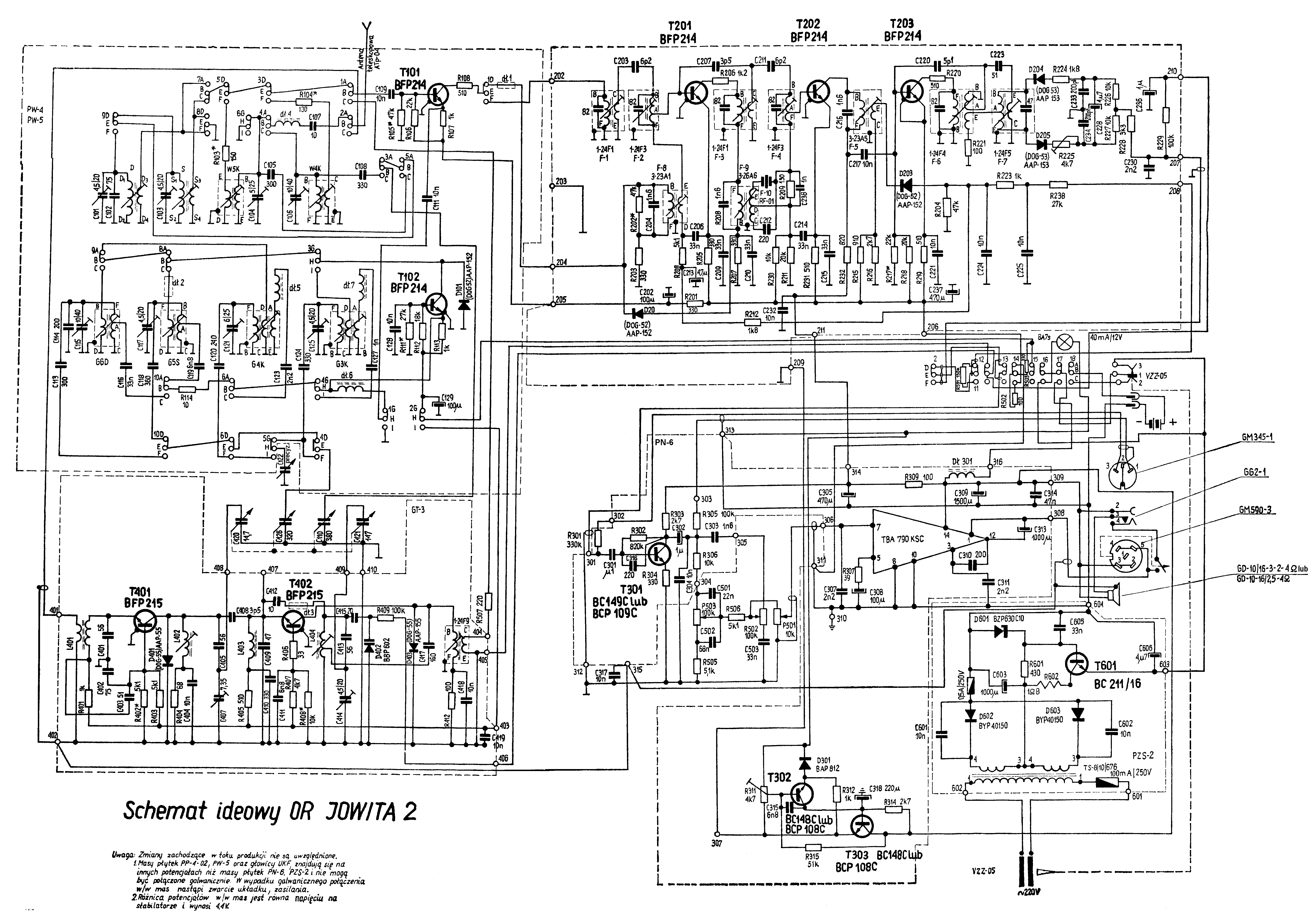
Schemat   Instrukcja   

(1) Piotr Jachymczyk, Jowita 2

(2) 2012-11-22, Wojciech Pysz, Jowita 2 - Eltra

(3) 2012-11-22, Wojciech Pysz, Jowita 2 - Eltra

(4) 2012-11-22, Wojciech Pysz, Jowita 2 - Eltra