oldradio.pl katalog starej radiotechniki
 
 
Karta katalogowa nr 1110
liczba wyświetleń: 21720
Producent: Diora
Model: Śnieżka R-206
Rodzaj sprzętu: Radioodbiornik
Klasyfikacja: stacjonarny
Zakresy: D,S,K1,K2,U
Kraj: Polska
Rok produkcji: 1983
Zasilanie: sieć, zmienny
Wymiary: 380x120x180 mm
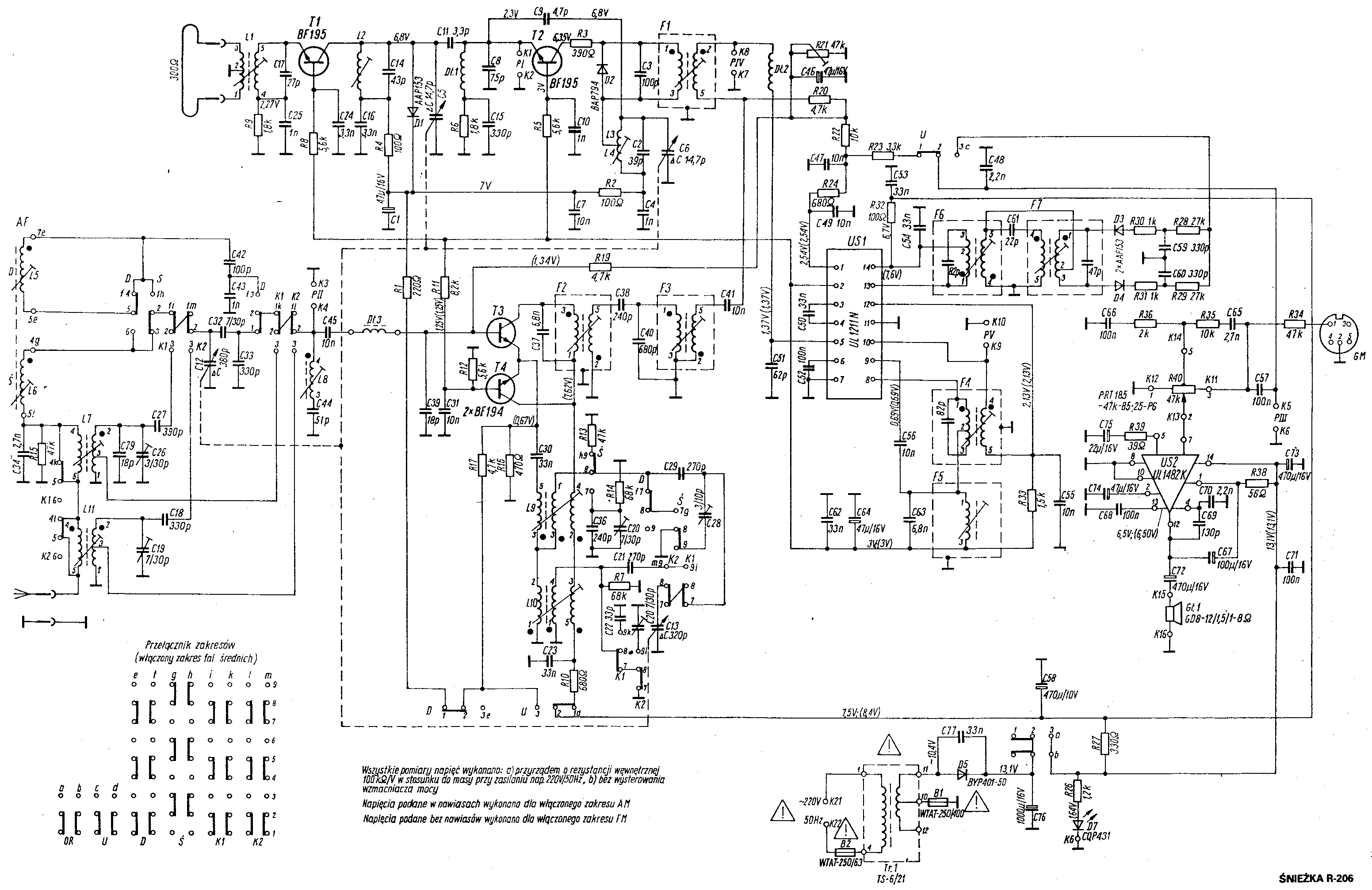
Elementy aktywne: tranzystory + ukł. scalone
UL1482K,UL1211,2xBF194,2xBF195
Opis:

Mały odbiornik stołowy w okleinie imitującej drewno. Były obudowy kanciaste i z zaokrąglonymi rogami. Tylna ścianka z płyty pilśniowej. Na transformatorze sieciowym plastikowa osłona.

Śnieżka była często używana jako wyposażenie pokoi hotelowych. Rozwojowo jedna z ostatnich konstrukcji odbiorników stołowych (później były jeszcze trzy inne Śnieżki, Kalenica R-301Sudety R-208). Nie ma podświetlenia skali tylko małą diodę LED na wskazówce. Produkt miał przyznany znak jakości "1".

W stopniu końcowym zastosowano wzmacniacz na układzie scalonym UL1482K, małej mocy (1,6W), bez radiatora, przeznaczonym dla odbiorników bateryjnych. Ma on dobre tłumienie tętnień sieciowych, co pozwoliło na zastosowanie prostownika jednopołówkowego w zasilaczu. Układ UL1482 występuje w odbiornikach stacjonarnych oprócz Śnieżki tylko w odbiornikach Pionier Re101 i Pionier Re105 a w przenośnych w trzech modelach z Unitra Rzeszów.

Jedno ze zdjęć pokazuje, w jaki sposób przestroić radioodbiornik ze "starego" pasma OIRT na "nowe" pasmo UKF - CCIR.

Na początku lat 70. XX w. produkowany był odbiornik z gramofonem Śnieżka DMP-251. Nie wiadomo dlaczego fabryka wykorzystała ponownie nazwę "Śnieżka".

Inne materiały:

(1) 2022-07-28, Wojciech Pysz, Śnieżka R-206

(2) Kamil Jabłoński, Śnieżka R-206

(3) Kamil Jabłoński, Śnieżka R-206

(4) Kamil Jabłoński, Śnieżka R-206

(5) autor nieznany, Śnieżka R-206

(6) autor nieznany, Śnieżka R-206

(7) 2017-07-09, Antoni Grucel, Wersja eksportowa

(8) 2017-07-09, Antoni Grucel, Wersja eksportowa