oldradio.pl katalog starej radiotechniki
 
 
Karta katalogowa nr 1031
liczba wyświetleń: 8880
Producent: ZRK
Model: M 8010
Rodzaj sprzętu: Magnetofon
Klasyfikacja:
Kraj: Polska
Rok produkcji: 1981
Zasilanie:
Wymiary: 300x200x120
Elementy aktywne: tranzystory + ukł. scalone
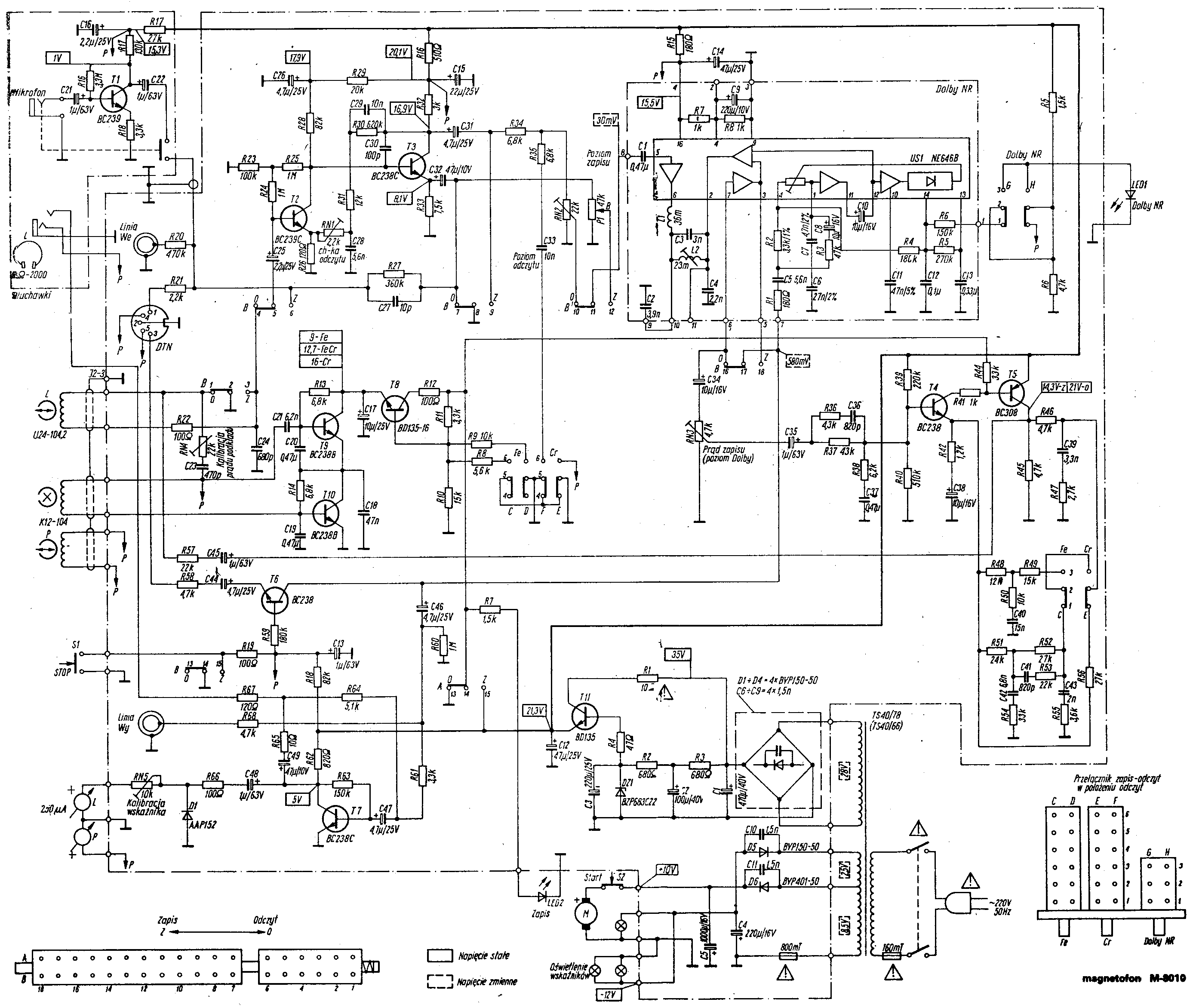
Opis:

Jeden z pierwszych magnetofonów typu DECK Kasprzaka. W tym modelu zastosowano układ redukcji szumów typu Dolby B (na licencji). W późniejszych odmianach (np. M8011) zastąpiono oryginalny układ Dolby polską tańszą odmianą układu, nazwaną CNRS 2. Użytkownicy tych "kasprzaków" narzekali na kiepskie silniki (produkcji krajowej). Po zmianie na typ zachodni pracowały prawidłowo.

Inne materiały:

(1) 2012-04-14, jarko-sa, M 8010

(2) Arkadiusz Frontczak, M 8010

(3) 2012-04-14, jarko-sa, M 8010