oldradio.pl katalog starej radiotechniki
 
 
Karta katalogowa nr 1001
liczba wyświetleń: 8616
Producent: Eltra
Model: Jowita 3 IC
Rodzaj sprzętu: Radioodbiornik
Klasyfikacja: przenośny mono
Zakresy: D,S,K1,K2,U
Kraj: Polska
Rok produkcji: 1985
Zasilanie: sieć lub baterie
Wymiary: 320 X 190 X 85 mm
Elementy aktywne: tranzystory + ukł. scalone
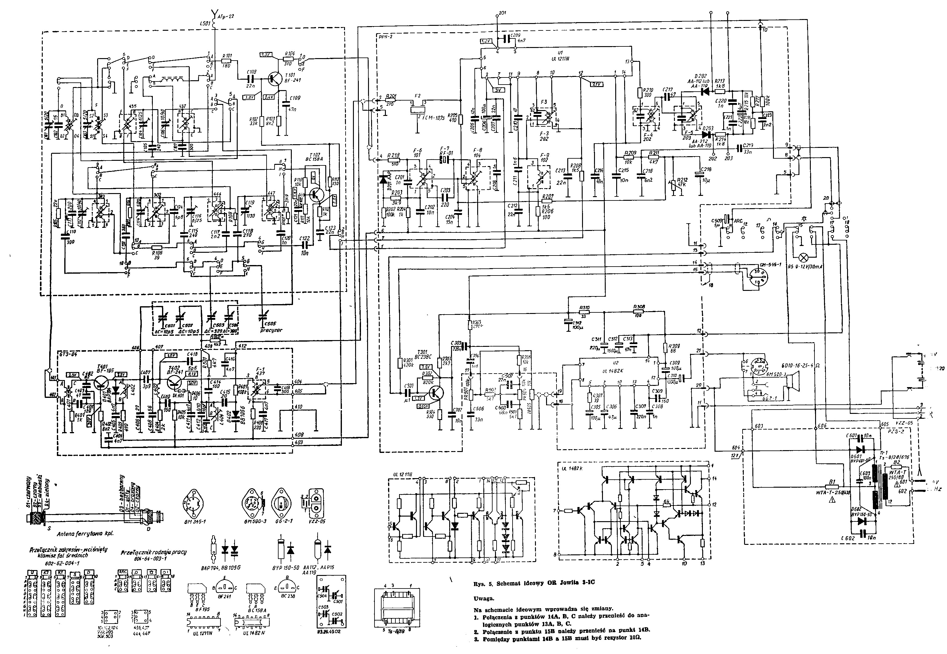
Opis:
Kolejna unowocześniona wersja bardzo udanej poprzedniczki i zarazem ostatnia z tej serii.
Różnice w stosunku do poprzedniej wersji Jowity, to nowa lepsza głowica UKF i dodatkowy układ scalony UL1211 (tor AM) oraz zmiany w układzie ARW.
Inne materiały:

(1) Marcin Kołodziejczyk, Jowita 3 IC

(2) Marcin Kołodziejczyk, Jowita 3 IC

(3) Marcin Kołodziejczyk, Jowita 3 IC

(4) Marcin Kołodziejczyk, Jowita 3 IC

(5) Marcin Kołodziejczyk, Jowita 3 IC