oldradio.pl katalog starej radiotechniki
 
 
Karta katalogowa nr 780
liczba wyświetleń: 18960
Producent: Diora
Model: Sudety R 208
Rodzaj sprzętu: Radioodbiornik
Klasyfikacja: stacjonarny
Zakresy: D,S,K1,K2,U
Kraj: Polska
Rok produkcji: 1987
Zasilanie: sieć, zmienny
Wymiary: 450x120x175
Elementy aktywne: tranzystory + ukł. scalone
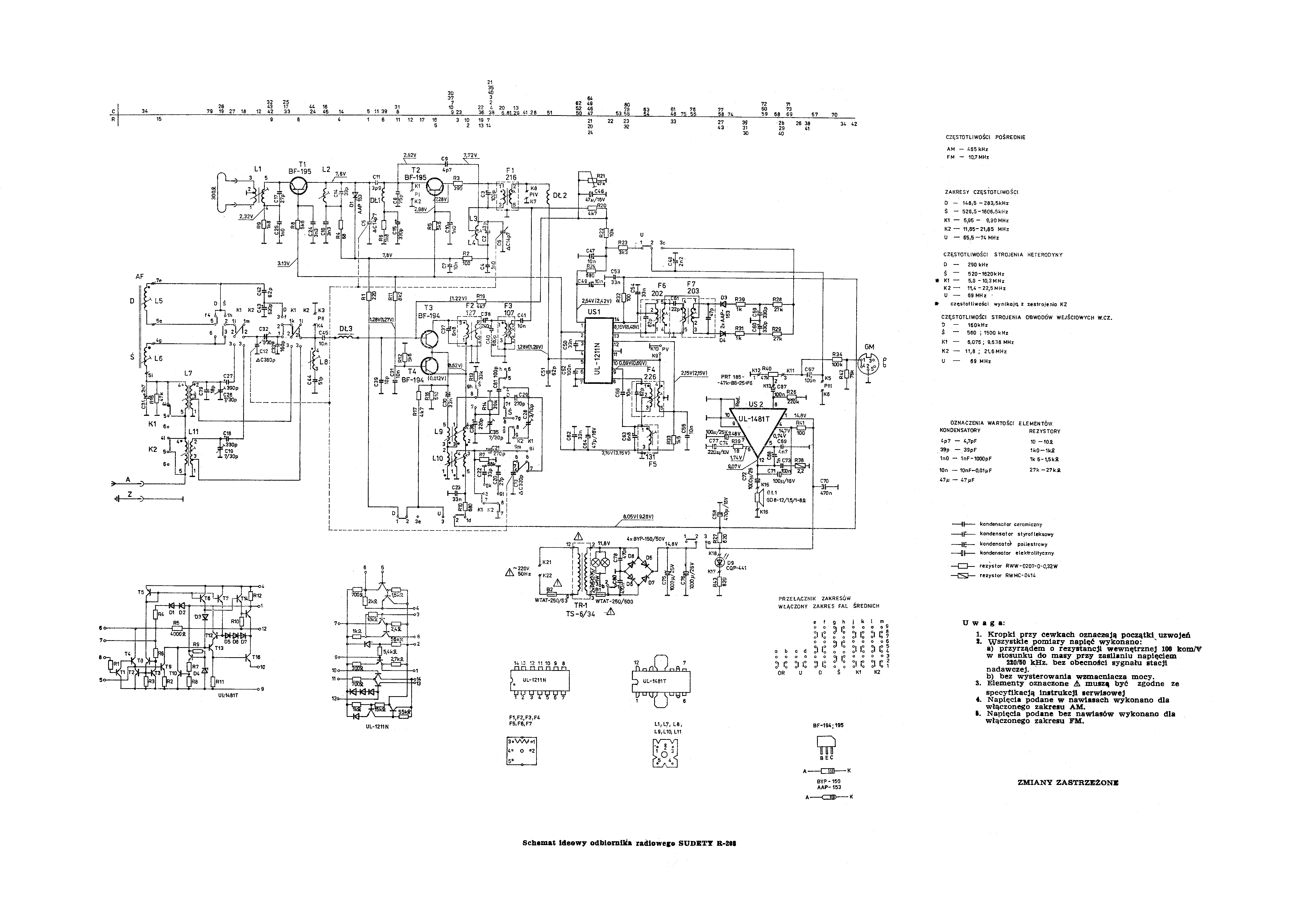
UL1481T,UL1211N,2xBF194,2xBF195
Opis:

Produkcja od ok. 1987 r. do ok. 1990. Jeden z ostatnich "klocków" stołowych Diory, układ elektryczny prawie identyczny jak "Śnieżka" R-206 i R-207. Jedyny odbiornik stołowy mono, do dzisiaj cieszący oczy nowoczesnym designem. Niestety, jak wszystkie odbiorniki "śnieżkopodobne" ma bardzo małą jak na radio stołowe, moc wyjściową (zaledwie 0,75 W przy h = 7% i R = 8 omów). Brak typowego wyłącznika sieciowego, jest tylko odłącznik zasilania po stronie wtórnej (tak jak w sprzęcie przenośnym). Gniazdo magnetofonowe tylko do zapisu. Pomimo nowoczesnego wyglądu, w układzie p.cz. AM/FM nadal tylko UL1211. Prezentacja na 59 MTP w 1987 r.

Odbiornik był eksportowany (z nazwą zmieniona na Elta-3210). Wersja eksportowa nie miała zakresów fal krótkich, przez co na ściance czołowej znalazły się o dwa klawisze mniej.

Jeżeli ktokolwiek widział wersję "Sudetów" z dwuzakresową głowicą UKF, produkowaną po roku 1990, prosimy o edycję lub dodanie tego modelu.

Inne materiały:

(1) 2008-05-30, Fiatcik, Sudety R 208

(2) 2024-01-26, jarko-sa, R 208

(3) 2024-02-03, jarko-sa, Sudety R 208

(4) Kamil Jabłoński zbieracz55, Sudety R 208

(10) 2024-10-16, jarko-sa, Sudety R 208