oldradio.pl katalog starej radiotechniki
 
 
Karta katalogowa nr 253
liczba wyświetleń: 19789
Producent: Fonica
Model: WG-264 Bambino 4
Rodzaj sprzętu: Gramofon
Klasyfikacja: przenośny ze wzmacniaczem
Zakresy: 16 33 45
Kraj: Polska
Rok produkcji: 1971
Zasilanie: sieć, zmienny
Wymiary: 370x335x155mm, waga ok. 8 kg
Elementy aktywne: lampy
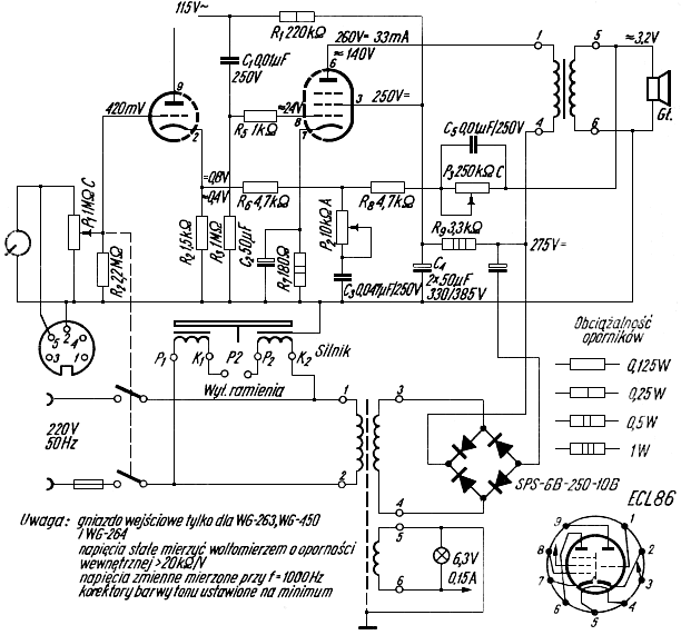
ECL86
Opis:
"Czwarta generacja" najpopularniejszego polskiego gramofonu, tym razem jako WG 264. Mechanizm zupełnie inny niż w poprzednich modelach.
Wzmacniacz lampowy identyczny jak w Bambino 3. Tak jak Bambino 3 gniazda na głośnik, kabel ekranowy DIN, przewód zasilania oraz bezpiecznik - po prawej stronie gramofonu. Trzy prędkości obrotowe : 16, 33 1/3, 45.

W pierwszych egzemplarzach z 1971 oś silnika posiada jeszcze czwartą średnicę, przeznaczoną dla prędkości 78. Pozycja kółka pośredniczącego zrównanego z tą osią odpowiada pozycji "0" na selektorze prędkości. Zablokowanie przełożenia następuje przez zajście specjalnego wysięgnika za prostopadły do płaszczyzny ramy gramofonu występ.
Inne materiały:
Schemat   

(1) przed 2029, wlodzio, WG-264 Bambino 4

(2) przed 2029, wlodzio, WG-264 Bambino 4

(3) przed 2029, wlodzio, WG-264 Bambino 4

(4) 2024-06, olx.pl, WG-264 Bambino 4