oldradio.pl katalog starej radiotechniki
 
 
Karta katalogowa nr 1808
liczba wyświetleń: 512
Producent: Diora
Model: Śnieżnik DMT-410 11610
Rodzaj sprzętu: Radioodbiornik
Klasyfikacja: stacjonarny
Zakresy: D,S,K,U
Kraj: Polska
Rok produkcji: 1974
Zasilanie: sieć, zmienny
Elementy aktywne: tranzystory
BC211/BC313, tranzystory 11
Opis:

Późniejsza odmiana odbiornika Śnieżnika DMT-403. Zastosowano tranzystory krzemowe we wzmacniaczu mocy.

Inne materiały:
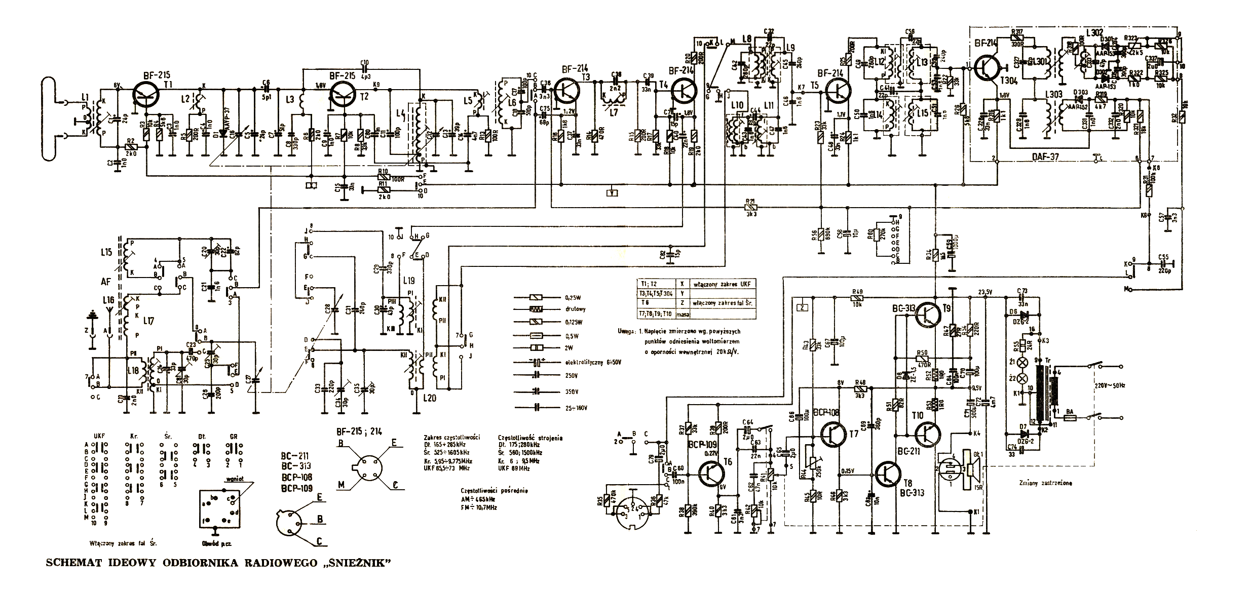
Schemat   

(1) Andrzej Spiżewski, Śnieżnik DMT-410 11610

(2) Andrzej Spiżewski, Śnieżnik DMT-410 11610

(3) Andrzej Spiżewski, Śnieżnik DMT-410 11610